Ningbo Richge Technology Co.、Ltd。
Ningbo Richge Technology Co.、Ltd。
製品
ZN12-12シリーズ統合列スイッチ真空回路ブレーカー
  • ZN12-12シリーズ統合列スイッチ真空回路ブレーカーZN12-12シリーズ統合列スイッチ真空回路ブレーカー
  • ZN12-12シリーズ統合列スイッチ真空回路ブレーカーZN12-12シリーズ統合列スイッチ真空回路ブレーカー

ZN12-12シリーズ統合列スイッチ真空回路ブレーカー

Model:ZN12-12
ZN12-12シリーズ屋内AC HV真空回路ブレーカーは、ドイツ企業から技術を導入した3つのフェーズAC 50Hz、定格電圧の12kVの屋内機器です。あらゆる種類の負荷と頻繁な操作を備えた地域に適しており、産業および鉱業、企業、発電所、変電所の電気施設の保護と制御に使用できます。 この製品は、GB1984、JB3855、DL403およびIEC標準の関連要件に従っています。

ZN12-12シリーズ統合列スイッチ真空回路ブレーカー

  Zn12-12屋内高電圧真空回路ブレーカー定格12kVの電圧と、主に固定されたスイッチギアに設置された次の屋内高電圧開閉装置、産業および鉱業の企業、電力施設の保護と制御のための電力植物、および制御のために、重要な負荷と頻繁な操作に適しています!

  Zn12シリーズ真空回路ブレーカーは、12kV、24kV、および40.5kVの定格電圧を備えた屋内高電圧スイッチギアデバイス、および3相AC 50Hzです。これは、ドイツのシーメンス3AFテクノロジーを導入することで開発された国内製品です。回路ブレーカーの動作メカニズムは、ACまたはDCで、または手動で動作できるスプリングエネルギー貯蔵タイプです。回路ブレーカーには、単純な構造、強力な破壊能力、長いサービス寿命、完全な操作機能があります。そして、爆発の危険はなく、メンテナンスは簡単です。これは、発電所、変電所、産業および鉱業などの送電および流通システムの制御または保護スイッチに適しており、特に重要な負荷や頻繁な操作場所を壊すのに適しています。スイッチキャビネットの回路ブレーカーの設置形式は、固定型または引き出し可能なタイプの回路ブレーカーのいずれかです。この製品は、GB1984、JB3855、IEC62271-100「高電圧AC回路ブレーカー」などの関連標準に準拠しています。


利点:

1.回路ブレーカーは、8月96日に機械省と電力省の評価を通過しました。つまり、品質は絶対に保証されています。

回路ブレーカーメカニズムはスイッチと統合されており、特別なスプリングエネルギー貯蔵型アクチュエータメカニズムは、ACおよびDCエネルギー貯蔵によって操作されるか、手動で動作することができます。

単純な構造、強力な破壊能力、長いサービス寿命、完全な操作機能、爆発の危険なし、簡単なメンテナンスにより、このサーキットブレーカーは、発電所、都市の電力網、変電所などの送電および配電システムの制御または保護スイッチに適しています。


特徴:

1.アーク消滅チャンバーの破壊容量は高く、現在の積載容量は低く、電気寿命は長いです。

2。レイアウトは、前から背面、シンプルでコンパクトな構造、完全な操作、および簡単なメンテナンスです。

3。構造と取り付けのために、それらは次のように分割できます:水平固定タイプ、傾斜固定タイプ、中央セット可動型。






基本情報。



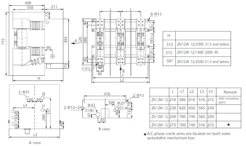
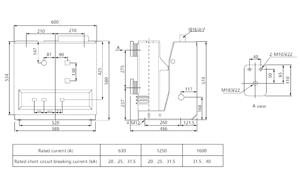
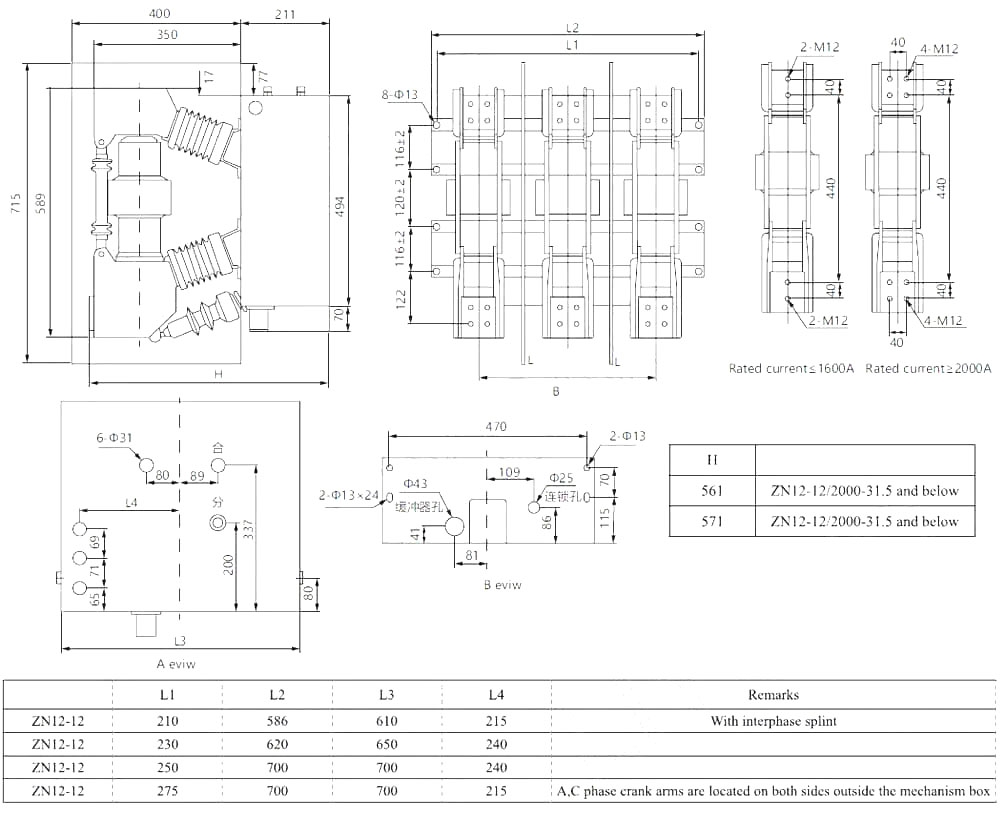
技術的なパラメーター



技術図面


Zn12-12統合列スイッチ真空回路ブレーカーの使用条件1。高度:≤1000m; (プロトタイプの高度は4000メートル未満に達する可能性があります)

2。周囲温度:最高 +40°C、最低-25°C。

3。相対湿度:毎日の平均は95%以下、月平均は90%以下。

4。地震の強度:8未満。

5。設置環境:火災、爆発の危険性、腐食性ガス、暴力的な振動の場所はありません。

6.使用環境が上記を超えている場合は、真空回路ブレーカーメーカーに連絡してください。




よくある質問

Q:あなたの製品の価格はありますか?

A:ようこそ。お気軽にお問い合わせください。 24時間以内に返信します。


Q:バルク注文の前にサンプルを入手できますか?

A:はい、品質をテストおよびチェックするためのサンプルの順序を歓迎します。混ざったサンプルは許容されます。


Q:製品にロゴ/会社名を印刷できますか?

A:はい、もちろん、私たちはOEMを受け入れ、それからあなたにブランド承認を提供する必要があります


Q:製品のカスタマイズを受け入れますか?

A:はい、もちろん、特定の図面またはパラメーターを提供してください、評価後にあなたを引用します


Q:リードタイムは何ですか?

A:リードタイムは、支払いを受け取ってから7〜20日以内に注文された数量に依存します。


Q:あなたの貿易条件は何ですか?

A:EXW、FOB、CIF、FCAなどを受け入れます。


Q:あなたの支払い方法は何ですか?  

A:T/T、Western Union、PayPal、Revocable L/cを視界に受け入れます。


Q:完成品を検査しますか?

A:はい、生産製品と完成品の各ステップは、出荷前にQC部門から検査を行いました。そして、出荷前にあなたの参照のために商品検査報告書を提供します


Q:販売後の品質の問題を解決する方法は?

A:質の高い問題の写真を撮り、チェックと確認のために私たちに送ってください。3日以内に満足したソリューションを作成します。




工場


証明書




ホットタグ: ZN12-12シリーズ統合コラムスイッチ真空ブレーカー、中国、メーカー、サプライヤー、工場、低価格、品質、最新販売、高度
お問い合わせを送信
連絡先情報
低圧開閉装置、高電圧絶縁体、高電圧接地開閉器、または価格表に関するお問い合わせは、メールに残してください。24 時間以内にご連絡いたします。
X
We use cookies to offer you a better browsing experience, analyze site traffic and personalize content. By using this site, you agree to our use of cookies. Privacy Policy
Reject Accept