Ningbo Richge Technology Co.、Ltd。
Ningbo Richge Technology Co.、Ltd。
製品
VBI-24固定型断熱材シリンダーMV真空回路ブレーカー
  • VBI-24固定型断熱材シリンダーMV真空回路ブレーカーVBI-24固定型断熱材シリンダーMV真空回路ブレーカー
  • VBI-24固定型断熱材シリンダーMV真空回路ブレーカーVBI-24固定型断熱材シリンダーMV真空回路ブレーカー

VBI-24固定型断熱材シリンダーMV真空回路ブレーカー

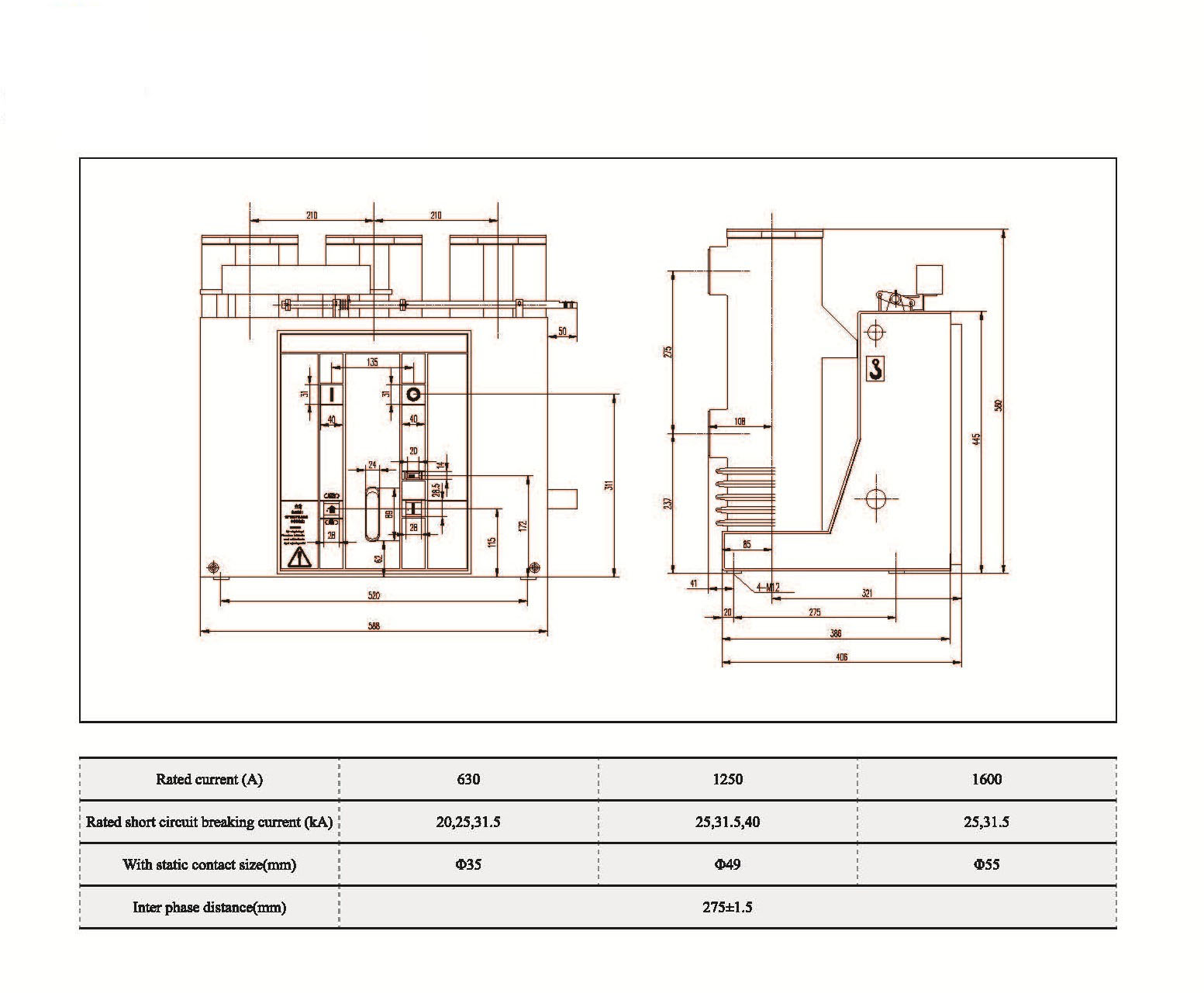
Model:VBI-24
VBIシリーズの屋内真空回路ブレーカーは、新世代のインテリジェントバキューム回路ブレーカーです。高性能の真空溶片と上下の発信ターミナルを含むそのライブコンポーネントは、エポキシ樹脂後のターミナルにカプセル化されています。この設計は、真空中間の表面での汚染を防ぎ、断熱特性を高め、機械的安定性を高め、運用寿命を延長するのに役立ちます。 VBI-24サイドマウントタイプ真空回路ビーカーの動作メカニズムは、スプリングを使用してエネルギーを貯蔵するために使用されます。これは、手動または電気の2つの方法で動作できます。特性はGB1984-89、JB3855-96に準拠しています。<10kv Indoor High Voltage Vacuum Circuit Breaker General Technical Specifications>、IEC56標準の関連規定。 VBI-24屋内高電圧真空回路ブレーカーは、3相AC 50Hzであり、24kVの屋内デバイスの定格電圧、産業および鉱業企業、電気機器の制御と保護目的としての発電所と変電所、およびその場所の頻繁な運用のための電圧です。

VBI-24固定型断熱材シリンダーMV真空回路ブレーカー

   埋め込まれた極を備えたVBI-24シリーズの屋内高電圧真空回路ブレーカーは、3つのフレーズa.c.50 Hz屋内配電機器であり、24 kVの定格電圧を備えた屋内電力配電機器は、産業および鉱業、鉱業、発電所、および置換のフィールドの電気機器の保護と制御に使用されます。

   スプリングメカニズムを備えたこのタイプの真空回路ブレーカーの主な導電性回路は埋め込まれたポールであり、断熱性、機械的および壊れた性能の信頼性を大幅に改善し、自由メンテナンスとより長い機械的および電気的寿命を本当に実現できます。機能はM-E2-C2のグレードに達します。

   この製品は、Kyn28-24(GZS1)のような多くの種類のスイッチギアに使用され、固定インストールを行うことができます。

  VBI-24屋内高電圧真空回路ブレーカーは、3相AC 50Hzであり、24kVの屋内デバイスの定格電圧、産業および鉱業企業、電気機器の制御と保護目的としての発電所と変電所、およびその場所の頻繁な運用のための電圧です。







基本情報。


技術的なパラメーター




技術図面

よくある質問

Q:あなたの製品の価格はありますか?

A:ようこそ。お気軽にお問い合わせください。 24時間以内に返信します。


Q:バルク注文の前にサンプルを入手できますか?

A:はい、品質をテストおよびチェックするためのサンプルの順序を歓迎します。混ざったサンプルは許容されます。


Q:製品にロゴ/会社名を印刷できますか?

A:はい、もちろん、私たちはOEMを受け入れ、それからあなたにブランド承認を提供する必要があります


Q:製品のカスタマイズを受け入れますか?

A:はい、もちろん、特定の図面またはパラメーターを提供してください、評価後にあなたを引用します


Q:リードタイムは何ですか?

A:リードタイムは、支払いを受け取ってから7〜20日以内に注文された数量に依存します。


Q:あなたの貿易条件は何ですか?

A:EXW、FOB、CIF、FCAなどを受け入れます。


Q:あなたの支払い方法は何ですか?  

A:T/T、Western Union、PayPal、Revocable L/cを視界に受け入れます。


Q:完成品を検査しますか?

A:はい、生産製品と完成品の各ステップは、出荷前にQC部門から検査を行いました。そして、出荷前にあなたの参照のために商品検査報告書を提供します


Q:販売後の品質の問題を解決する方法は?

A:質の高い問題の写真を撮り、チェックと確認のために私たちに送ってください。3日以内に満足したソリューションを作成します。




工場


証明書




ホットタグ: VBI-24固定型断熱材シリンダーMV真空回路ブレーカー、中国、メーカー、サプライヤー、工場、低価格、品質、最新販売、アドバンス
お問い合わせを送信
連絡先情報
低圧開閉装置、高電圧絶縁体、高電圧接地開閉器、または価格表に関するお問い合わせは、メールに残してください。24 時間以内にご連絡いたします。
X
We use cookies to offer you a better browsing experience, analyze site traffic and personalize content. By using this site, you agree to our use of cookies. Privacy Policy
Reject Accept